1 .. 4 5 6 7 8 9 10 11 12 13 14 15
3
1
7
 
Heating   Daikin Altherma split de alta temperatura
9
 
Daikin Altherma split de alta temperatura   ERSQ-AV1
7
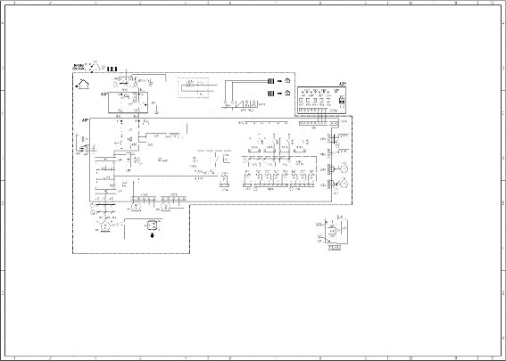
Diagramas de cableado
7 - 1
Diagramas de cableado para sistemas monofásicos